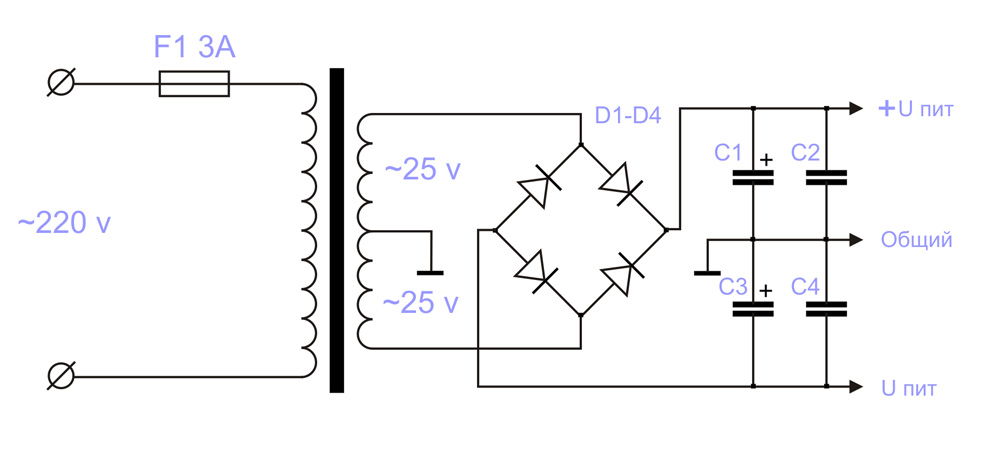
Простой двухполярный блок питания на трансформаторе ТПП287-127/220-50
Усилителю необходимо двухполярное питание ±25-35В.
Схема простого двухполярного БП:

Я использовал старый советский трансформатор ТПП287-127/220-50

После покупки деталей, начал травить плату.
Лень было покупать что-то вроде "хлористого железа", почитал в интернете про раствор из перекиси водорода, так что я использовал то что было на кухне)
Для раствора необходимо:
1. Лимонная кислота - 30г. (3 чайных ложки)

2. Перекись водорода 3% - примерно 70 мл. (3/4 100мл бутылочки)

3. Простая соль - 20гр. (лично я высыпал щепотку рукой а так 2 чайных ложки)

Все это дело перемешиваем до полного растворения лимонной кислоты с солью в ненужной тарелке с плоским дном.
Подготавливаем плату.
Чертим дорожки (лично я прорезал шилом). Красим любым лаком дорожки. Кидаем в эту смесь платку. Ждем.
Я оставлял на ночь. На утро вся медь слезла.
Для трансформатора ТПП287-127/220-50 необходимо поставить перемычку между контактами 7 и 3, подавать 220В на 2 и 9.
Соединить выводы с номерами: 12-15, 11-20, 13-18, 14-21, 17-16, а снимать напряжение с 16 (земля), 19, 22.
Между 16-19 и 16-22 получили по 19В в плече, что в принципе достаточно. После моста и конденсаторов получилось +-27В